HERE IS A SHORT PRIMER ON HOW TO SKETCH YOUR KITCHEN!

 

If you choose to have us do a layout for you or an estimate, we will need some basic information from you. (Remember we are happy to send of our team members to measure for you if you prefer!)

 

WHAT YOU WILL NEED:

 

paper for drawing your kitchen

PAPER

pencil icon

PENCIL

tape measure

TAPE MEASURE

camera

CAMERA

(OPTIONAL)

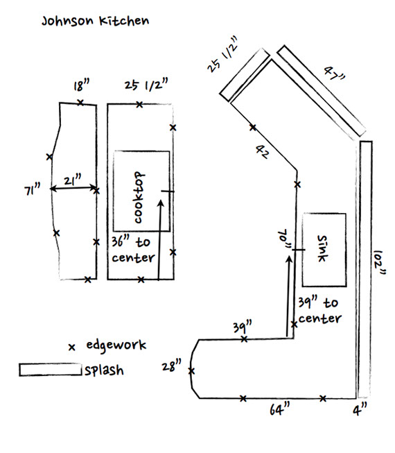
kitchen drawing
DRAWING YOUR KITCHEN IS EASY! Just capture all the primary dimensions! If you have existing countertops try to remember to subtract the thickness of the existing backsplash. Just imagine where you want the stone to be and give us the dimensions. The drawing does not need to be crazy precise, we will digitally template your project prior to processing. When you come to our showroom, it helps if you take some pictures of your project. That will help us get a feel of the space and we will be able to assist better with color selection. It is not required...but it is helpful. If you have any questions of how to do this sketch call the office at: 850-995-2270 We will be happy to come to your home and do this sketch for you! Either way....we are here to help!
apex granite logo

"Pensacola's Granite Countertop Company"

Please take some time to explore the rest of our website!

VIEW OUR GALLERY

OUR PROCESS

RECENT PROJECTS

CONTACT APEX

CUSTOMER REVIEWS

850-995-2270

phone icon

Copyright 2014 APEX ADVANCED COUNTERS

  229 S Baylen St. Suite 3 Pensacola FL 32502 • Site by Mark Lauzon

Pensacola - Mobile Al. - Ft. Walton Beach - Panama City Fl. - Santa Rosa Beach - Pace

google plus icon
you tube icon